企业单位
制造商
50-99人
1000万
公司引进德国先进技术自主研发的系列机械手主要用于锻压、铸造、热处理等行业,实现在高温、重载环境中工件的自动输送和精确定位。以降低工人劳动强度或实现全线无人化生产.
技术特点
应用五项技术,具有较高的技术含量 ; 专为锻压生产线设计,能够与加热炉、压机组成锻压生产线 ; 能够实现手动、半自动、自动 三种操作模式,也可单一人工操作 ; 经过结构优化设计,动作灵敏,性能可靠
产品优点
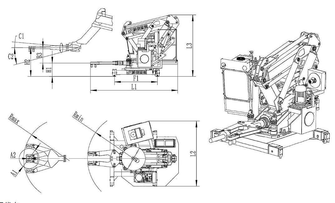
一. 大跨度承载能力:重载机械手的大跨度承载能力可达到2000kg,能够适应大型、超大型锻件的锻造需求。
二. 长工作行程:机器人的活动半径可达到近6m,能够实现长行程的动作控制。
三. 自动化控制:重载机械手集成了先进的液压控制技术和计算机技术,可实现手动、半自动、全自动、联动四种操作方式,提高了生产效率和产品质量。
四. 安全可靠:重载机械手设有安全保护装置和故障检测诊断系统,确保操作过程安全可靠。
五. 节能环保:重载机械手采用液压传动方式,具有较低的能耗和噪音,符合节能环保的要求。
六. 多种附件:重载机械手配备多种附件,如移动工作台、冲裁缓冲装置等,具有多种用途。
七. 结构紧凑、动作灵活:重载机械手采用紧凑的结构设计,动作灵活,能够出色地完成各种复杂的操作动作。
联系电话
13793289116
微信扫码咨询